Weekly Progress on our Explorer Yacht Build - Chicken Little's Demise.
- Chris Leigh-Jones
- Aug 5, 2023
- 2 min read
This week saw some significant changes toward our completion. It was also a week that called for cooler heads when problems arose. I'm not going to claim this one; it was, instead, the work of our Owner Rep, Akan, and Naval's Production Manager, Engin. Herein lies the Tale of Chicken Little.
Solar Panels on our Explorer Yacht
It came time to start the installation of the solar panels. Naval, quite understandably, requested the manufacturer to specify the correct adhesive to survive the rigors of the marine environment and a wide bandwidth of temperatures.
A recommendation was duly made with the earliest delivery date of the end of September, considering August being an Italian National Holiday and early September a "recovery period." So the thought was to obtain a comparable adhesive suitable for the substrate. A quick search revealed the substrate was Polyethylene. Nothing, but nothing sticks to Polyethylene short perhaps of Polyethylene itself. Thus began the "Tale of Chicken Little" with a growing consensus that we were, to all practical purposes, "stuffed," to quote the English vocabulary.
The demise of Chicken Little
In steps Akan, our Owner Rep. Akan obtains a technical paper on the product from some random internet source. Indeed Polyethylene is the "base" material creating the internal framework they assemble all else into. Then the drawing revealed a sublayer identified as "EVA." "Polyethylene Vinyl Acetate" for the nerds amongst us. Well, that must be just like Polyethylene. It's not. It's a family of conformable compounds used for trivia, like boogie boards and shoe insoles. Those are stuck together with something other than faith, hope, and charity.
Enter Engin, the Production Manager, armed with a useful lead, the omnipresent EVA. In short order, and using his experience of construction in commercial yards, we have two options of Sikaflex adhesive and associated primers that will do the job. Better than that, we find that stocks are available in Antalya in the comparatively large quantities required. Chicken Little's story did not prevail this time, the sky did not fall, and the sun continued to shine on our building.
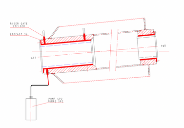
Rudders and Stern Tubes
Another milestone was the completion of welding on the skegs, and Navantec completed the epoxy fill between the inner and outer stern tubes. We can install the drive shafts and propellers installation in the coming weeks. I've seen similar compounds used previously to secure large ships' engines and auxiliary generators, forming a seat between the engine entablature and bedplates. It's a magical compound and inert to just about any chemical that may contact it.
Naval also pressure-tested the hollow rudder blades, all sealed, and we claimed some additional useful buoyancy from the air trapped within.
Note the rudder stick, two times the diameter required by Code. That is one seriously strong feature.
Chris Leigh-Jones
With friends from Houston Tx, USA, we spent a few days away from the summer heat of Antalya, traveling instead to Kapodokia, the land of caves and fairy castles. It's quite a magical place, overseen by three >4000m extinct volcanoes. We'd recommend the experience to anyone traveling to Turkey. Ballon rides at dawn, an unmissable way of imprinting a child's memory. Al-fresco dinner on a cliff edge, an evening Ezan reverberating from the valley below.
Hotel : Kayakapi Caves Hotel, Kayakapi.com
Baloon : balloonturca.com
Tour Op : Sojourn, sojournturkeytours.com





























Comments